
产 地: 日本
2020年4月由原三菱化学分析技术株式会社变更为日东精工分析技术株式会社
功能特点:
小型台式机
7.5英寸TFT触摸屏操作界面
恒定电流、四探针测试原理
0.1uA、1uA、10uA、100uA、1mA、10mA、100mA、1A 共8档恒流输出
自动选择测试电流值,也可手动选择(恒流值与电阻量程有关联)
端口电压(开路时):
0.1uA 对应1.2Vdc、
1uA对应10Vdc、
10uA、100uA、1mA对应100Vdc、
10mA、100mA对应12Vdc、
1A为脉冲测试电流
测试量程:0.001*10-4至9.999*107Ω宽泛测试量程
测试单位:直读电阻(Ω)、表面电阻(Ω/□)、体积电阻(Ω.cm)、电导率(s/cm)
*如已知被测试样品得电阻率,则根据计算关系等式可反推厚度值(厚度未知时)
单独的恒定RCF测试模式
可根据输入的样品尺寸、厚度、探头放置在样品上的相对坐标值及选用探头型号,仪器内部程序
自行计算并显示每个测试点的纠正因子(RCF)值并直接显示相应的单位测试
仪器本地内存存储数据:2000组,可用U盘转出存储的测试数据
可选配多种MCP系列探头适应测试不同大小及不同材料的测试对象
单独的半导体材料测试模式
内置PASS/NG判断功能
USB通讯口,可选配实时通讯软件
可配置XY自动测试平台,实现自动化测试及测试结果传输
可选PSR/QR探头支架, 其它探头测试支架也可定制
应用行业:
半导体、纳米材料、导电性油漆、导电性糊状物、导电性塑料,导电性橡胶、导电性薄膜、
金属薄膜、抗静电材料、ITO玻璃、 EMI 防护材料、导电性纤维、导电性陶瓷、光伏行业、
锂电行业等新型导电材料
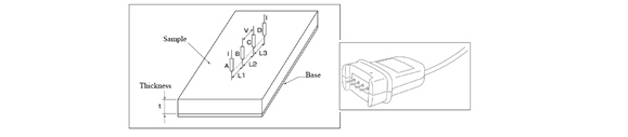
工作原理:
四点探针测试原理
恒定压力的四点探针测试原理(如下图):
施加恒定电流在物体表面产生分布电场,探针感知电场大小,由相应数学计算公式可计算半导体、薄膜等材料电阻(Ω)、表面电阻(Ω/□)、体积电阻(Ω.cm)、电导率(s/cm)等电阻特性。

技术指标:
Trueness of Measured Resistance
| CONSTANT CURRENT | |||||||
| 1A | 100mA | 10mA | 1mA | 100μA | 10μA | ||
| RANGE | 10-4 | ±(2.0%+30dgt) | |||||
| 10-3 | ±(2.0%+20dgt) | ±(2.0%+20dgt) | |||||
| 10-2 | ±(1.0%+ 5dgt) | ±(1.0%+ 5dgt) | ±(2.0%+20dgt) | ||||
| 10-1 | ±(1.0%+ 3dgt) | ±(1.0%+ 3dgt) | ±(1.0%+ 5dgt) | ±(2.0%+20dgt) | |||
| 100 | ±(0.5%+ 3dgt) | ±(0.5%+ 3dgt) | ±(1.0%+ 5dgt) | ±(2.0%+20dgt) | |||
| 101 | ±(0.5%+ 3dgt) | ±(0.5%+ 3dgt) | ±(1.0%+ 5dgt) | ±(2.0%+20dgt) | |||
| CONSTANT CURRENT | |||||||
| 1mA | 100μA | 10μA | 1μA | 0.1μA | |||
| RANGE | 102 | ±(0.5%+ 3dgt) | ±(0.5%+ 3dgt) | ±(1.0%+ 5dgt) | ±(2.0%+20dgt) | ||
| 103 | ±(0.5%+ 3dgt) | ±(0.5%+ 3dgt) | ±(1.0%+ 5dgt) | ±(2.0%+20dgt) | |||
| 104 | ±(0.5%+ 3dgt) | ±(0.5%+ 3dgt) | ±(1.0%+ 5dgt) | ||||
| 105 | ±(0.5%+ 3dgt) | ±(1.0%+ 3dgt) | |||||
| 106 | ±(1.0%+ 3dgt) | ||||||
| 107 | ±(2.0%+ 5dgt) | ||||||
(1) 量程转换
1. 自动量程转换:
2. 手动
(2) 计时器功能
1. Range : 2sec. to 999sec.
2. Scattering : ± (0.5%+0.5sec.)
(3) 测试速率:2/sec.
(4) 测试探头
标配探头ASR 型探头,可选配MCP系列多种探头以适应测试不同的样品
(5)操作界面
640×480,7.5inchs Full-color TFT LCD Touch screen
(6) 供电电源
a.c.100to 240V (47 to 63Hz) 40VA
(7) 使用环境
5 to 40℃ and max. 80% without condensation
(8) 外形尺寸
Upper lid closed : 285(D) × 320(W) × 110(H) mm
Upper lid opened : 285(D) × 320(W) × 200(H) mm
(9) 重量:About 2.4kg
标准包装:
| 项目 | Model Number | Parts No. | Qty |
| LORESTA GXII主机 | MCP-T710 | RMH017E | 1 |
| ASR Probe ASR探头 | / | RMH501 | 1 |
| Probe checker for ASR Probe检验块 | MCP-TRF1 | RMH304 | 1 |
| Instruction Manual | ------ | ZRLGX2ME | 1 |
可选附件:
